Onderdelen voor Ducati Streetfighter V4 SP

Bekijk alle technische tekeningen van de Ducati Streetfighter V4 SP. Kies de tekening met de onderdelen categorie die je zoekt om eenvoudig de juiste originele onderdelen te vinden en bestellen.
Shopping for
Ducati STREETFIGHTER V4 SP
: 1103 cc
: 2022
Niet het juiste type? Wijzig de selectie:

Alle Ducati Streetfighter V4 SP types

Alle Ducati Streetfighter V4 SP types

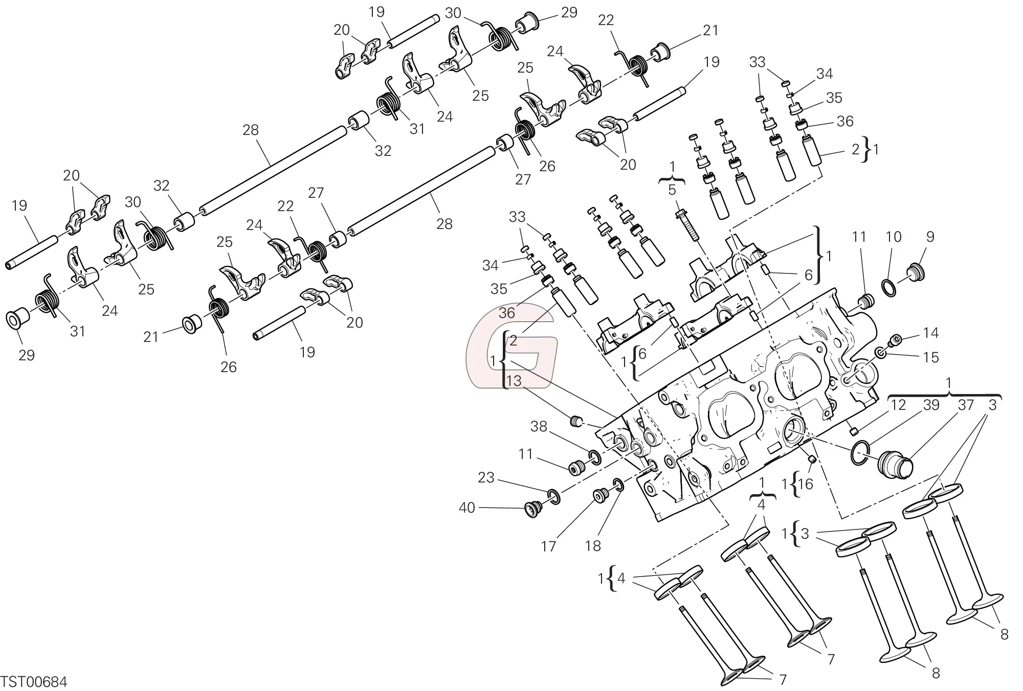
Door het merk, bouwjaar en type van je motor te selecteren, krijg je toegang tot verschillende exploded view-tekeningen. Elke tekening geeft een gedetailleerd overzicht van de originele onderdelen waaruit de Ducati STREETFIGHTER V4 SP is opgebouwd.

De beschikbaarheid van de originele Ducati STREETFIGHTER V4 SP onderdelen wordt duidelijk weergegeven bij de leverstatus. Is een onderdeel niet meer leverbaar, dan wordt dit aangegeven en is het niet mogelijk om het aan het winkelmandje toe te voegen. Onderdelen die op voorraad zijn in ons magazijn, worden op werkdagen dezelfde dag verzonden wanneer je vóór 15:00 uur bestelt. Niet voorradige onderdelen worden besteld bij centrale magazijnen in Europa of Japan. De levertijd hiervan bedraagt doorgaans 3 tot 7 werkdagen.

Goedhart Motoren is officieel Ducati-dealer en al sinds 1989 actief. Met een fysieke winkel, professionele werkplaats en overzichtelijke webshop staan wij garant voor snelle levering en betrouwbare service. Zodra je bestelling is verzonden, houden we je op de hoogte via een handige track & trace-link.